Philips Lighting GmbH
Signify UVC Entkeimungslampe TUV PL-S 9W/4P 1CT/6X10BOX (TUV PL-S Serie) - 927901904007
Produktnummer:
927901904007
Sofort ab Lager
7,96 €
Inhalt:
1
inkl. MwSt. zzgl. Versandkosten Netto 6,69 €
Produktinformationen "Signify UVC Entkeimungslampe TUV PL-S 9W/4P 1CT/6X10BOX (TUV PL-S Serie) - 927901904007"
Kompakte, einseitig gesockelte Niederdruck-Quecksilberdampf-Entladungslampe.
Vorteile
- Wirksame Desinfektion über die gesamte Lebensdauer der Lampe
- Hohe Systemeffizienz, da kein überdimensioniertes Reinigungssystem erforderlich ist, um eine wirksame Desinfektion aufrechtzuerhalten
Merkmale
- Emittiert kurzwellige UV-Strahlung mit einem Spitzenwert von 253,7 nm (UV-C) zur Entkeimung
- Glaskolben der Lampe filtert den ozonbildenden 185 nm Bereich heraus
- Innere Schutzbeschichtung reduziert die Verschlechterung der UV-C-Ausbeute
- In den Sockel der PL-S Lampe integrierter spezieller Starter sichert Sofortstart
- Lampe ist mit Warnhinweis UV-C-Strahlung versehen
Anwendung
- Abtötung oder Deaktivierung von Bakterien, Viren und anderer Kleinstorganismen
- Luft- und Oberflächendesinfektion in Krankenhäusern, in der bakteriologischen Forschung sowie in der pharmazeutischen und lebensmittelverarbeitenden Industrie wie Molkereien, Brauereien und Bäckereien
- Desinfektion von Trinkwasser, Abwasser, Schwimmbecken, Klimaanlagen, Kühlräumen, Verpackungsmaterialien etc.
- Einsatz in zahlreichen photochemischen Prozessen
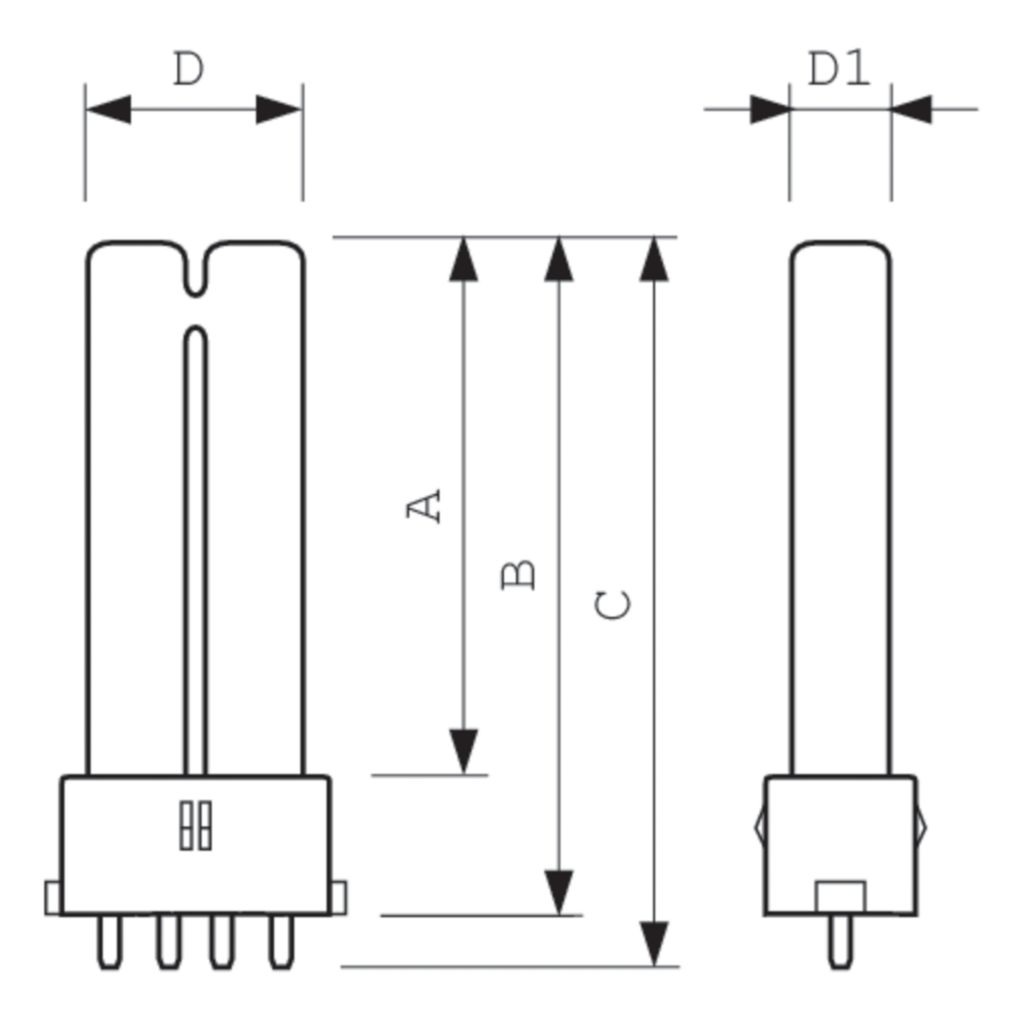
Abmessungen (siehe Bild)
- D1 (max): 13 mm
- D (max): 28 mm
- A (max): 127,2 mm
- B (max): 144,5 mm
- C (max): 151,1 mm
Hinweise
Es ist sehr unwahrscheinlich, dass der Glasbruch einer Lampe negative Auswirkungen auf Ihre Gesundheit hat. Wenn es zu einem Glasbruch kommt, lüften Sie den Raum 30 Minuten lang und entfernen Sie die Splitter möglichst mit Handschuhen. Legen Sie die Splitter in eine verschließbaren Plastikbeutel und geben Sie ihn beim Werkstoffhof zum Recycling ab. Benutzen Sie keinen Staubsauger.
Bei der Desinfektion mit UV-C Lampen ist in jedem Falle auf die richtige Anwendung zu achten. Bei nicht richtiger Verwendung können die UV-C-Lampen Augen und Haut stark schädigen. Hier erfährst du mehr zu dem Thema.
Downloads und Dokumente
Signify GmbH
(Lampe) Röntgenstr. 22
22335 Hamburg
DE
info@signify.com
www.signify.com
Elektrische Daten
| Betriebsspannung: | 60 V |
|---|---|
| Durchgangsverdrahtung: | Nein |
| Konformität: | CE |
| Lebensdauer: | 9000 h |
| Leistung: | 8,6 W |
Gehäuse
| Ballwurfsicher: | Nein |
|---|---|
| Brandschutz: | Nein |
| Farbe: | Transparent |
| Form: | Länglich |
| Material: | Glas |
Lichttechnische Daten
| Sensor: | Nein |
|---|---|
| Dimmbar: | Nein |
| Farbtemperatur [Kelvin]: | UV |
| Lampenart: | UV-C |
| mit Leuchtmittel: | Ja |
| Sensortechnologie: | Nein |
| Sockel: | 2G7 |
Logistische Daten
| Artikelkategorie: | Leuchtmittel |
|---|
Maße & Verpackung
| EAN | 8711500710833 |
|---|---|
| Länge | 151.1 mm |
| Breite | 28 mm |
| Höhe | 13 mm |
| Gewicht | 30 g |