Zum Hauptinhalt springen

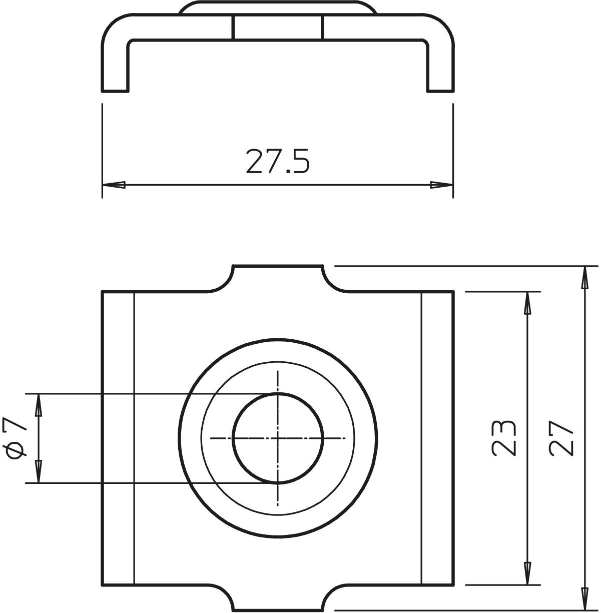
OBO Bettermann Vertr Klemmstück für Gitterrinne GKB 34 A2 - 6016676