Casambi Technologies
Casambi CBU-DCS DALI-Schnittstelle IDABT mit Lichtsteuerung, passiv - 801570
Produktnummer:
801570
Lieferzeit ca. 7 Arbeitstag(e)
74,80 €
inkl. MwSt. zzgl. Versandkosten Netto 62,86 €
Produktinformationen "Casambi CBU-DCS DALI-Schnittstelle IDABT mit Lichtsteuerung, passiv - 801570"
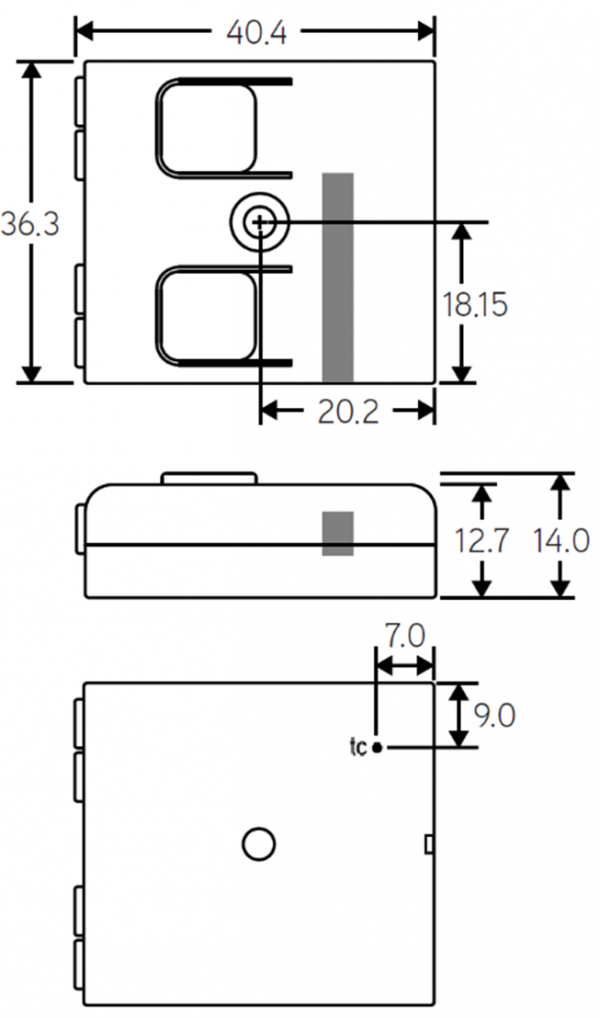
- Passive Schnittstelle mit DALI-Signalein- und -ausgang zum komfortablen Regeln von z. B. DALI-Lichtquellen oder Sensoren durch Tablet oder Smartphone (Apple, Android) mit der CASAMBI-App
- Ermöglicht die Integration von CASAMBI-Netzwerken in DALI-BUS-Systeme über Mesh-Anbindung
- Externe Spannungsquelle erforderlich (DALI-BUS-Spannung)
- Es stehen verschiedene Profile für unterschiedlichste Anwendungen zur Verfügung. Konfigurieren anderer Profile möglich vor Koppeln ins Netzwerk: Profil ändern
- Integrierte Antenne (Zeichnung: grauer Bereich, nicht mit Metallgehäuse abdecken)
Downloads und Dokumente
AIMOTION GmbH
Offakamp 9d
22529 Hamburg
info@casambi-aimotion.de
+49 (0) 40 57257993
https://casambi-aimotion.de/de/